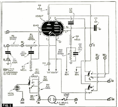
This interesting signal follower was found in a publication from 1940. The tube used is a double triode-pentode, but the configuration can be adapted to use separate tubes or even more modern types. A very interesting instrument, even in our times for those who like to tinker with tubes.




