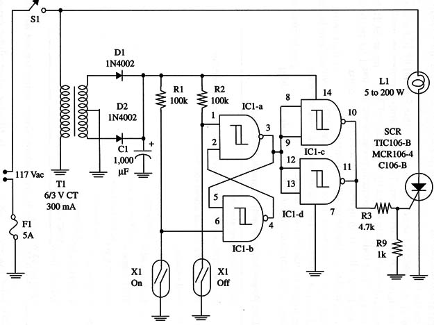
When the sensor K1 is activated, the bistable formed by IC1-a and b acts, and the SCR is turned on. Then, the lamp remains on until the bistable changes its state again by the action of X2.
The circuit is a half-wave control, because we are using an SCR, but you can easily alter it to operate as a full-wave control by putting a full-wave bridge on the ac power line input.
The SCR is a 200 peak inverse voltage (PIV) device that must be mounted on a heatsink. Lamps or heaters (resistive loads) can be controlled in the range between 5 and 200 W.
A schematic diagram of the Power Bistable with Magnetic Switches is shown in Fig. 1.

Be careful with the wires to the sensor. These wires are not isolated from the ac power line.
Positions of the polarized components (diodes, electrolytic capacitors, SCRs) must be observed.
Erratic operation of the circuit, in case of long wires to the sensors, can be reduced by reducing the values of R1 and R2. You can use resistor values as low as 10 kg in this function.
IC1 - 4093 CMOS integrated circuit
SCR - TIC106, (3106 or MCR106 200 PIV silicon controlled rectifier
D1, D2 1N4002 or equivalent silicon rectifiers
X1, X2 - Reed switches
L1 - 5 to 200 W 117 V incandescent lamp
F1 - 5 A fuse and holder
S1 SPST toggle or slide switch
T1 - 6.3 V, CT, 300 to 500 mA transformer
R1, R2 -100,000 ohm, 1/4 W, 5% resistors
R3 - 4,700 ohm, 1/4 W, 5% resistor
R4 - 1,000 ohm, 1/4 W, 5% resistor
C1 - 1,000 11F, 25 WVDC electrolytic capacitor



