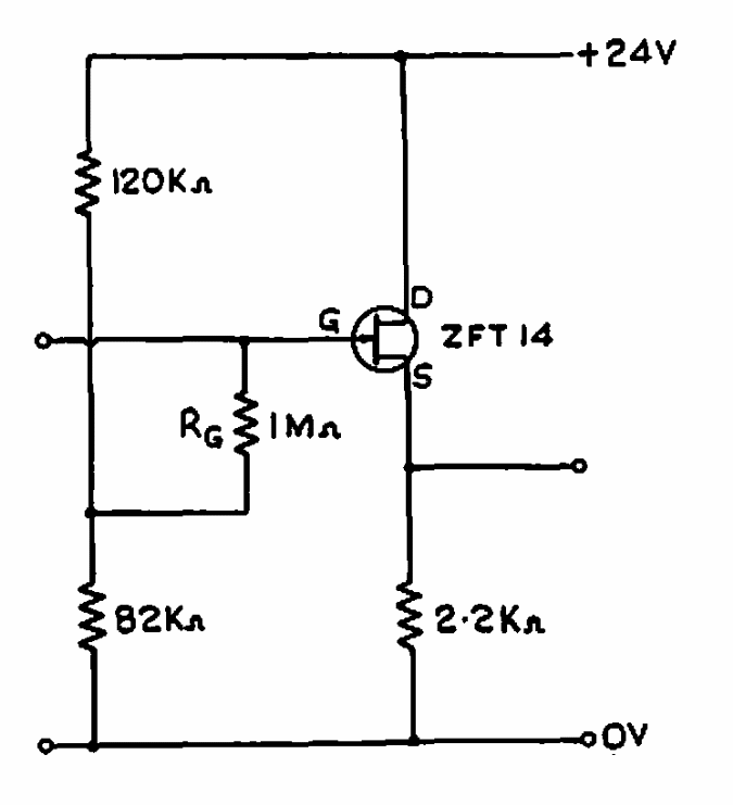
This stage for JFETs was found in a 1965 US publication, but is valid for modern components.
This circuit, which can also be adapted to function as a microcontroller shield, is from 2003...
This sensitive circuit was found in an Electronics Hobbyists Handbook from the 1990s. The circuit can...
This circuit can be used with 3 receivers and is intended for low frequencies (medium wave range). We...