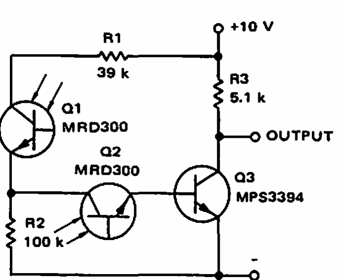
This circuit was found in a 1968 Motorola documentation. The circuit can be implemented with virtually any photo transistor and general-purpose transistor.
Found in an Electronic Design from the 90's, this circuit uses an SCR according to the controlled power....
For the 1 MHz frequency, the pass band of this filter is only 120 Hz wide. The filter is suitable for...
We found this circuit in an English publication from 1995. The Hall sensor used is a component of the...