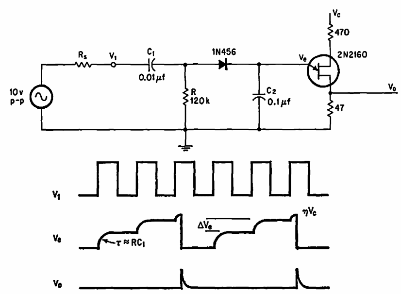
Found in American documentation from 1969, this circuit operates in the frequency range 10 to 150 Hz providing signals as shown in the diagram itself.
This circuit, which can also be adapted to function as a microcontroller shield, is from 2003...
This sensitive circuit was found in an Electronics Hobbyists Handbook from the 1990s. The circuit can...
This circuit can be used with 3 receivers and is intended for low frequencies (medium wave range). We...