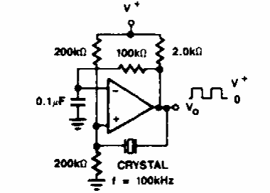
This circuit is from Signetics' 80s documentation. The circuit generates 100 kHz signals according to the crystal and the operational must be able to operate at this frequency.

This circuit is from Signetics' 80s documentation. The circuit generates 100 kHz signals according to the crystal and the operational must be able to operate at this frequency.
