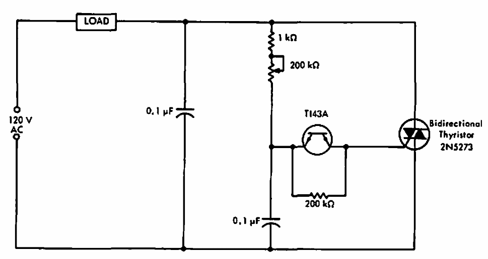
This version of triac control is from a 1968 documentation. The circuit uses components from the era that can be replaced with modern equivalents.
This circuit was found in Radio Electronics magazine from November 1960. The circuit is powered by a...
In the figure we have an application in which the input and output voltage are equal, with the...
We found this circuit in a Radio Electronics from the 90s. The circuit is for conventional analog...