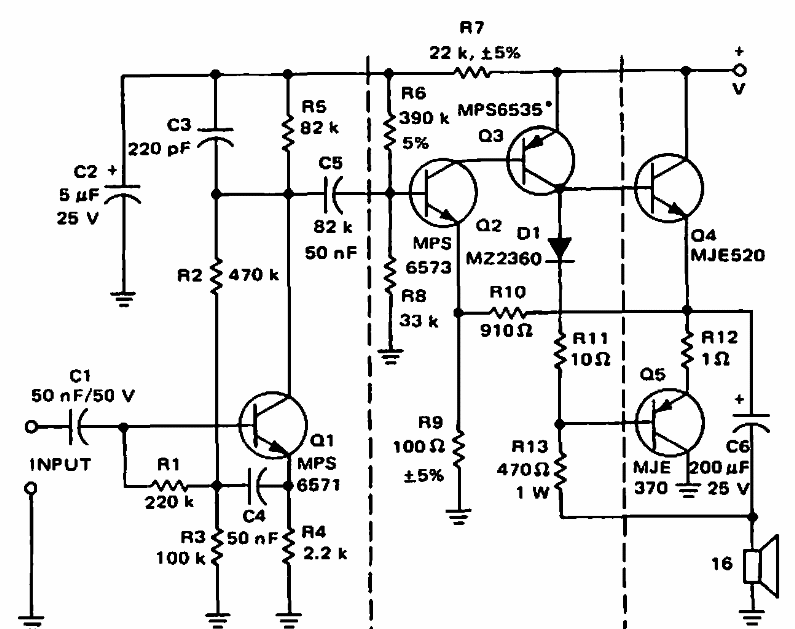
This circuit was found in Motorola documentation from 1968. The transistors are from the company, and the power supply is rated at 22 V.
This full wave source uses germanium diodes, and its current is a few milliamps. We found it in an...
This circuit was found in an 80's Electronic Design. The frequency depends on the crystal and the...
Found in an American publication from 1968, this circuit generates pulses at a rate of 2,500 per...