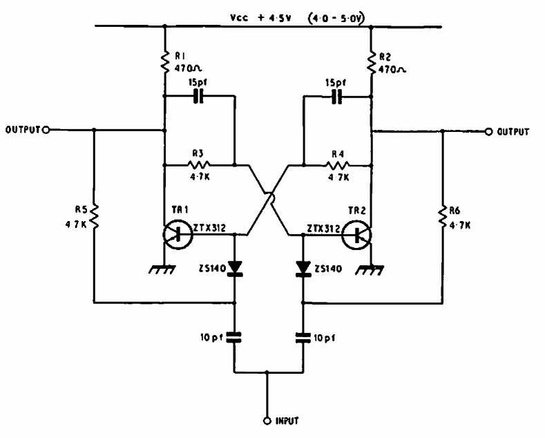
Found in Ferranti's 1969 documentation this circuit has a maximum operating frequency of 7.5 MHz. The circuit can be designed with modern transistors.
This automotive circuit was found in the September 1992 issue of Radio Electronics magazine. The...
This low frequency astable multivibrator use two probes in the simulation. The probes ar found in...
This circuit with zener diodes was found in documentation from the 90s. The zener diodes determine the...