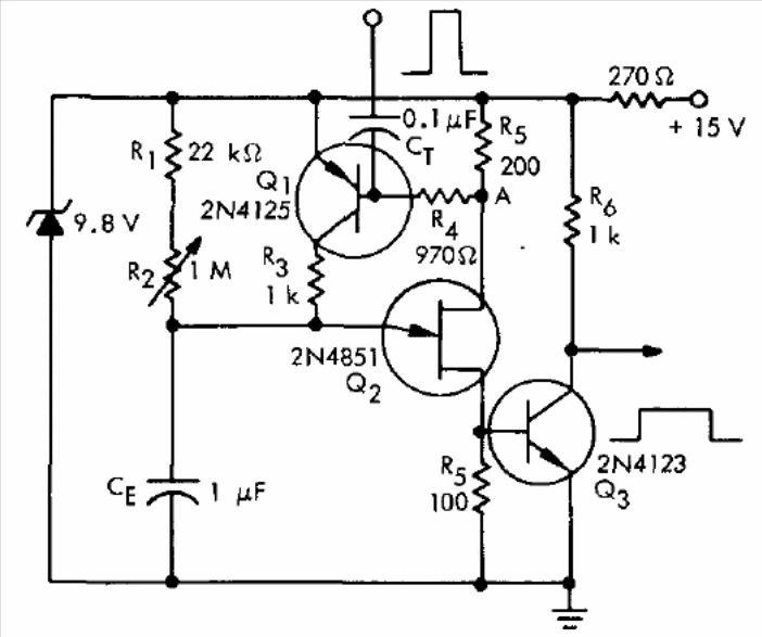
This circuit is from a 1974 publication by Motorola. The unijunction may be 2N2646 and bipolar BC558 and BC548. The pulse duration depends on the capacitor.
Flybacks transformers are no longer used as displays with kinescopes (CRT) have fallen out of use....
This monostable with the 555 is triggered by TTL signals and provides TTL output signals. The...
The circuit shown in the figure generates a rectangular signal whose frequency depends on C1. For...