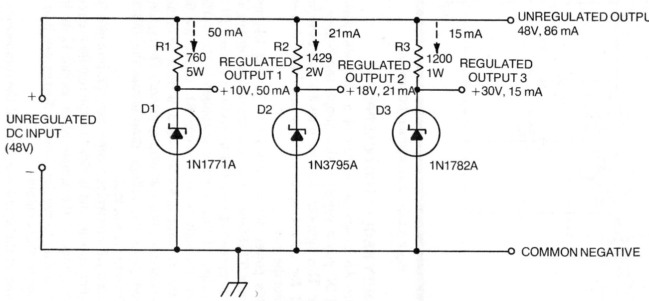
This is a traditional configuration of a series regulator with zeners, found in a documentation from the 70's. The circuit has 10, 18 and 30 V outputs, but the diodes can be changed to obtain other voltages and other currents, depending on the resistors. The input is 48 V, but the circuit can be recalculated to operate with other voltages. The zener diodes are 10 V, 18 V and 30 V in this case.




