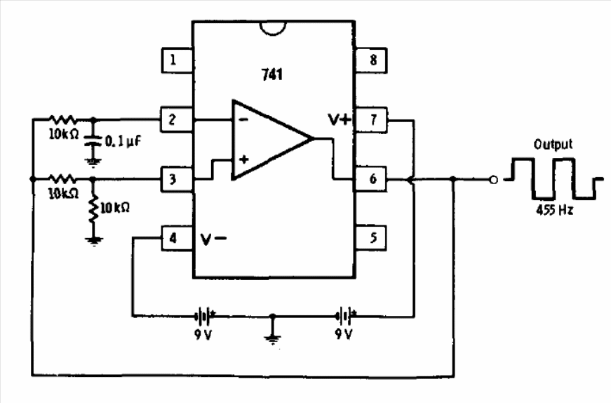
This circuit was obtained in a 1978 publication. The supply can be symmetrical from other voltages. Frequency can be changed by changing the capacitors.
Can be used as a shield, this old American documentation circuit offers digitally selected...
ON Semiconductor CMOS Operational Amplifiers Mouser Electronics announces the availability of ON...
This circuit is suggested by Motorola and has logarithmic response characteristics. For signals of low...