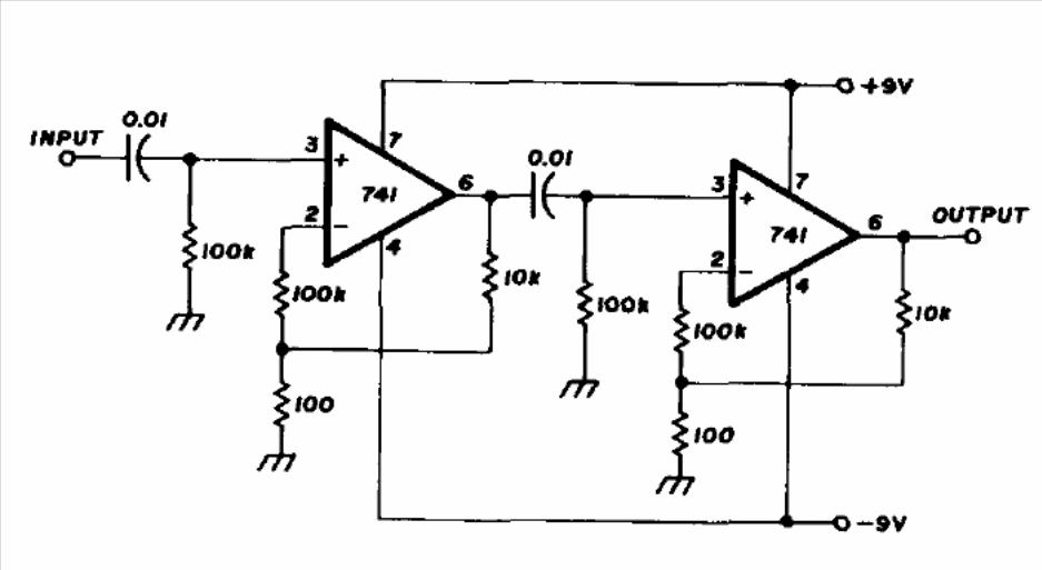
With this configuration it is possible to obtain an 80 dB gain from two 741 operational amplifiers. The source must be symmetrical and have other voltages than those indicated, depending on the application. The band pass ranges from 300 to 6 kHz.
With this configuration it is possible to obtain an 80 dB gain from two 741 operational amplifiers. The source must be symmetrical and have other voltages than those indicated, depending on the application. The band pass ranges from 300 to 6 kHz.