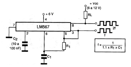
The LM567 is a PLL tone decoder that can also be used as a double oscillator as shown in the figure circuit. The supply voltage must be between 5 and 10 V, and the maximum operating frequency around 100 kHz. The values of the components as a function of the frequency to be generated can be calculated by the formula given next to the diagram. Note that the signal waveform is rectangular, and on one of the outputs we have twice the frequency of the other.




