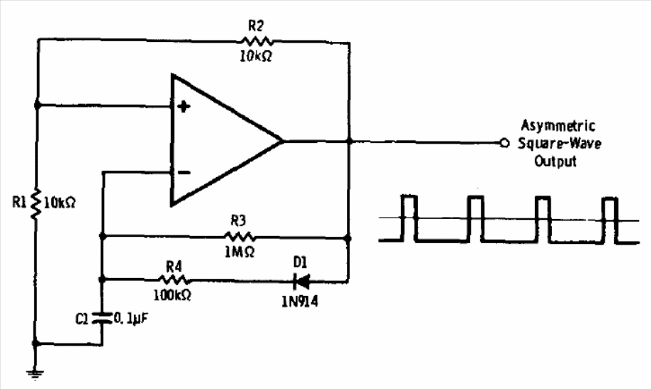
This circuit is from a 1978 operational amplifier manual. The power supply must be symmetrical, and the frequency given by the capacitor. Other operations can be used, and the active cycle is determined by the relationship between R3 and R4.
This circuit is from a 1978 operational amplifier manual. The power supply must be symmetrical, and the frequency given by the capacitor. Other operations can be used, and the active cycle is determined by the relationship between R3 and R4.