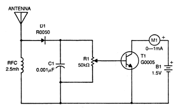
This circuit can be used to measure the signals from transmitters in the range of 3 to 30 MHz. The transistor can be the BC548 and the common germanium diode such as 1N34. The circuit can be powered by one or two small batteries. It is convenient to connect a 1k resistor in series with the instrument to limit its current in case of problems (transistor saturation). The antenna is telescopic. The circuit is from old documentation. The adjustment trimpot can be 4k7.




