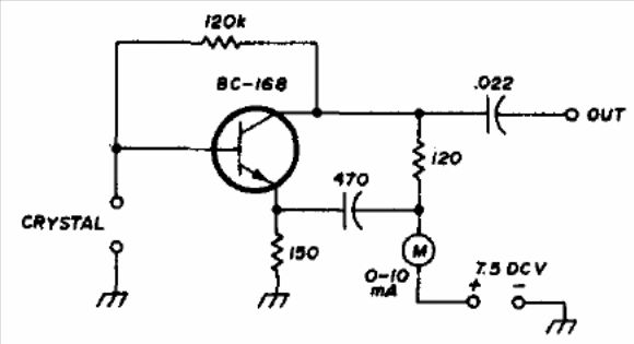
This circuit was obtained in a 1976 amateur radio manual. The circuit can be made with a 2N2222 transistor and is used for crystals in the range of 1 to 10 MHz. The instrument can also be a microammeter from 0 to 200 uA or it can also be used a low current range of a common multimeter.




