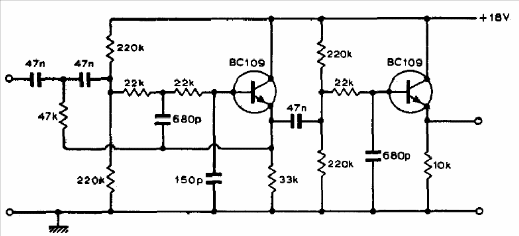
Scratch is the scratching noise that occurs on old, scratched discs and the rumble is the low-frequency noise caused by the engine oscillation. This circuit, from a 1973 publication with cutoff frequencies of 37 Hz and 25 kHz, cuts these noises, making it possible to recover signals from discs in other modern media. The transistors can be BC549 and the signal cables must be shielded.




