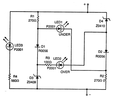
This circuit is from an old technical documentation, used to monitor the voltage of a 12 V battery. The circuit uses 6.8 V zeners (D3) and 7.5 V (D4). The other diodes are common, and the LEDs are different colors. The circuit indicates a battery with more than 3.6 V. charged. The circuit can be modified to monitor other voltage ranges.




