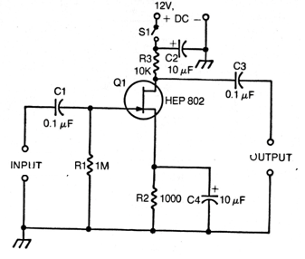
We found this traditional circuit in an American documentation from 1976. The circuit can be assembled with the most common FETs today such as MPF102 and BF245. The circuit has high input impedance and a voltage gain of 10 times, with a sensitivity of 700 mV for output. The consumption is very low, of the order of only 0.7 mA.




