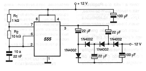
In the figure we have a converter that generates a negative voltage from a positive voltage source. The current available at the output of this power supply is of the order of a few microamperes, but it can be used in polarization circuits, which can be important in certain applications that involve operational amplifiers with a symmetrical source operating in a very low power regime. The circuit operates as an oscillator whose frequency depends on the capacitor connected to pins 6/2 and has an inverted voltage triplicator at the output in order to generate negative voltages. We observe that the value of -12 V generated is "open", that is, without load and that the circuit has no regulation. A regulation can be implemented by feeding the circuit with the output voltage itself. The circuit also works with other input voltages, in the range of 5 to 15 V, without problems.




