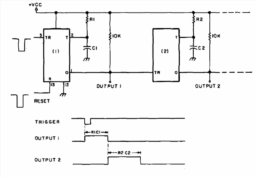
We found this circuit in a 1978 publication. The flip-flops are of the T type and the time constants that determine the duration of the pulses are given by the networks R1-C1, R2-C2, etc. The supply must be made according to the integrated circuits used.




