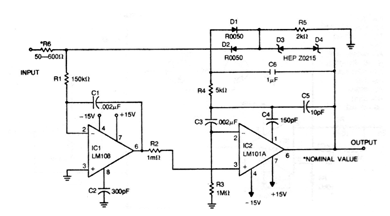
The operational amplifiers used on this Motorola circuit from the 1970s are no longer common, but the configuration can be made with more modern components, such as the 741 amplifiers. With this, the power can also be provided by a symmetrical source of lower voltage. D3 and D4 are 7.5 V zener diodes and the other diodes can be general-purpose types such as 1N4148. For lower supply voltages, zeners must be changed.




