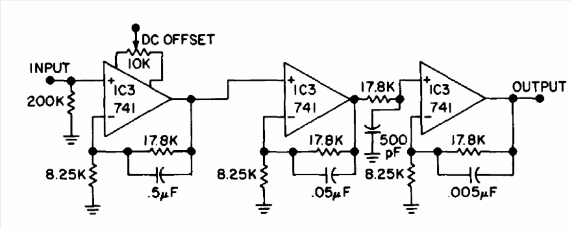
This circuit was obtained in an American publication from 1977. The circuit operates in the audio range from 10 Hz to 20 kHz and is intended for operation with meters with ambient sound absorption characteristics. The circuit has a characteristic of -20 dB per decade. Symmetrical power must be between 6 and 12 V.




