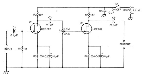
This two-stage circuit has a voltage gain of 100 times, with a high input impedance. The circuit is from a 1976 technical documentation but can be fitted with modern transistors such as the BF245 and MPF102. The maximum input is 70 mV (audio) with an output of 7 Vrms. The circuit has a very low consumption, on the order of 1.4 mA only. The input impedance is of the order of 22 M ohms.




