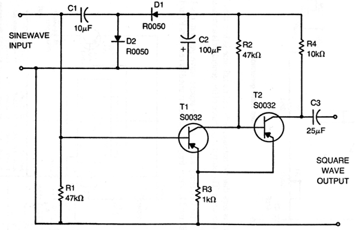
We found this circuit in a technical documentation from the 1970s. It converts low frequency sinusoidal signals into rectangular signals of the same frequency. The transistors can be the BC548 and the diodes are commonly used as the 1N4002 or 1N4004. The circuit supply is the voltage of the converted sinusoidal signal, which must be 5 to 12 V in amplitude. The circuit consists of a Schmitt trigger.




