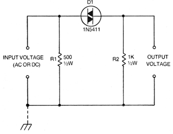
This circuit provides a voltage at the output only when the input voltage exceeds a value that depends on the diac. Diacs are usually specified for voltages between 25 and 30 V. The circuit is based on technical documentation on thyristors from the 1970s. The trigger voltage depends only on the diac used.




