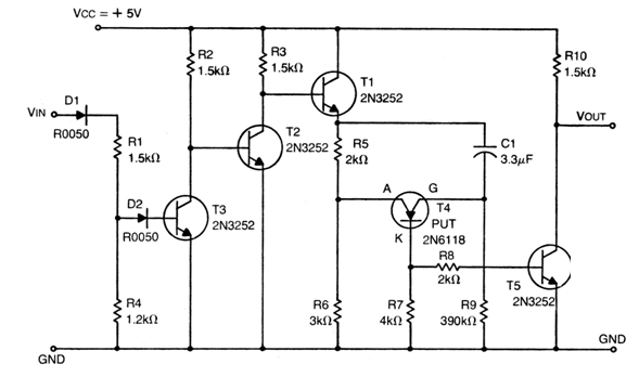
This circuit is from a technical documentation from the 70s, and equivalents can be used for common transistors such as BC548. The circuit provides a delay for a signal that is given by the time constant C1, R9. The circuit can be powered by higher voltages, but in this case the 5 V is justified by its compatibility with TTL logic. The diodes can be general-purpose type like the 1N4148. For PUT equivalent types easier to obtain in our market can be used.




