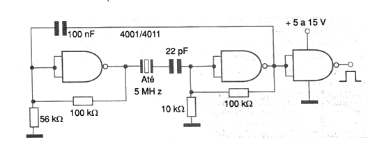
The maximum frequency of the oscillator shown in figure 10 is on the order of 5 MHz, depending on the supply voltage. With lower voltages, the circuit becomes slower and is unable to oscillate at higher frequencies. The 5 MHz are achieved with voltages above 9 V. The capacitors are ceramic and as the integrated circuits 4001 and 4011 have 4 ports, of which only 3 are used, and as they are interchangeable, the pinout is not given. The capacitors used must be ceramic and the signal obtained at the output of this circuit is rectangular.




