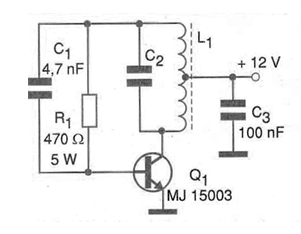
A single high-power transistor MJ15003 is used in the circuit in the figure to generate strong signals in the range from 30 kHz to 1 MHz, depending only on the L1 coil and the CV setting. The transistor must be mounted in an excellent heat sink and the power supply must be capable of supplying a current of at least 3 A. The polarization resistor, depending on the application, for greater performance must have its value tested in the range of 470 ohms at 1.5 k ohms typically. Capacitor C2 can be fixed or variable. For the different frequency ranges that the circuit can generate, we give the characteristics of L1 and the approximate values of C2 in the following table:
Frequency Range C2 L1
50 to 200 kHz 10 nF 30 + 30 turns
200 kHz to 500 kHz 2.2 nF 15 + 15 turns
500 kHz to 1 MHz 1 nF 10 + 10 turns
The coil is wound on a ferrite rod 0.8 to 1 cm in diameter and 10 to 15 cm in length. The values in the table are not exact, since, due to component tolerances and parasitic capacitances / inductances in the assembly, compensations may be necessary. Lower power transistors such as BD135 or TIP31 can work in this circuit, with an increase in resistor R1, generating signals that reach higher frequencies, reaching 15 or 20 MHz, as appropriate. For the 500 kHz to 1 MHz band, a variable AM radio capacitor can be used to frequency adjustment.




