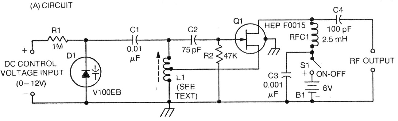
We found this circuit in an old documentation from the 70s. The circuit can use any varicap and depending on its characteristics we have the range of control voltages and also of frequency. For the coil we have the indicated range, but it can be changed as needed. 50 + 50 turns of wire 28 in a ferrite rod generate approximately the range of 600 to 1100 kHz. The FET can be the BF245 and the supply voltage can be from 6 V to 12 V.




