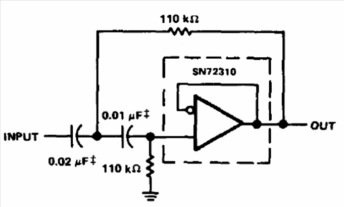
We found this circuit in a Texas Instruments documentation from 1973. Other operational amplifiers can be used, and the power supply must be symmetrical. The frequency can be changed by changing the resistors and capacitors.
We found this circuit in a Texas Instruments documentation from 1973. Other operational amplifiers can be used, and the power supply must be symmetrical. The frequency can be changed by changing the resistors and capacitors.