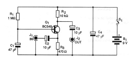
The first circuit we present is ideal for matching the low impedance of transducers, such as microphones or even telephone pickups, with the high input impedance of an amplifier or even a common sound mixer. In the figure we have the complete circuit of this preamplifier, which can be powered with a 9 V battery or from 4 small batteries. As the current consumption is very low, a battery will have enormous durability when feeding this circuit. What we have is an amplifying step in the common base configuration. As is known, this configuration has a very low input impedance and a high output impedance. The current gain is low, but the voltage gain is high. We use a high-gain, low-noise transistor to provide better results. The reader will be able to use this adapter circuit with sources of impedance signal of up to 600 ohms. The resistor R3 can have values between 22 ohms and 470 ohms depending on the impedance of the signal source.




