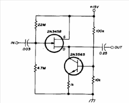
Obtained in an American documentation from 1976, this circuit has a constant current source for polarization and a unit voltage gain. The input impedance is very high, and the output impedance is very low which means a high-power gain. Equivalent transistors such as BF245 for FET and BC548 for bipolar can be used and capacitors can be changed to current standard values.




