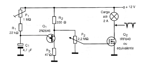
The pulses of light produced by this circuit are negative, that is, the lamp gives brief "off" at a frequency determined by the setting of P1, and whose depth is determined by the setting of P2. The circuit that can control high power lamps is shown in the figure. The capacitor determines the frequency and can be changed over a wide range of values.




