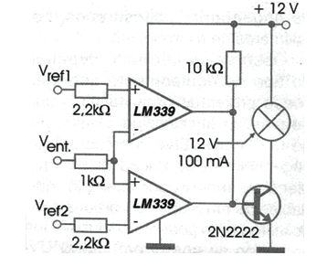
An useful configuration in applications that involve function monitoring is the limit comparator. In the circuit shown in the figure, the lamp will light up when the input voltage is higher or lower than the two references applied to the comparators. An important application of this circuit is as an under / over voltage warning in the monitoring of sources. If the input signal comes from sensors, such as temperature, the circuit will detect under / over temperatures. Of course, the lamp can be replaced by a relay to disable or activate an external circuit, if necessary. In the same way the lamp can be replaced by LEDs.




