)
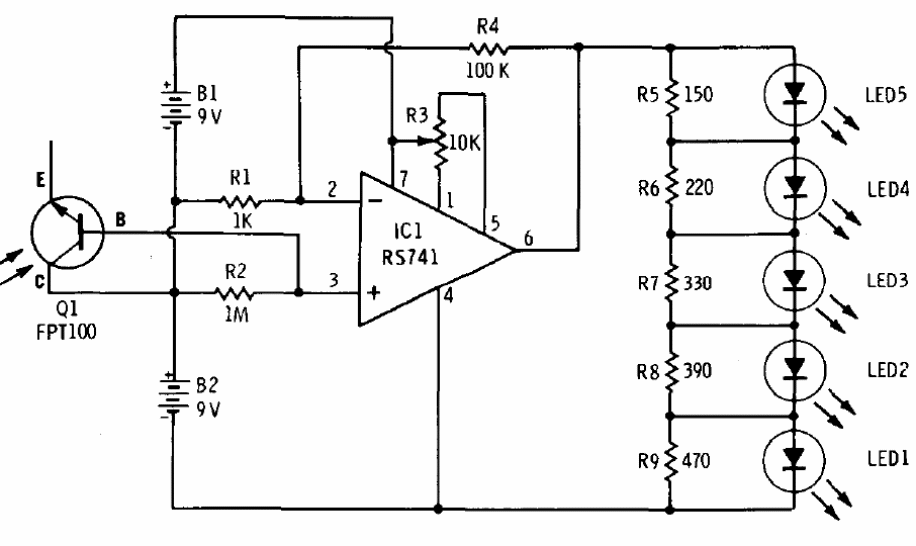
We found this circuit in a 1977 Radio Shack catalog. We can mount it with any phototransistor and LEDs are common with the need for a 100 ohms resistor in series with pin 6 of the IC for current limitation. The null point adjustment is done in R3.
)
We found this circuit in a 1977 Radio Shack catalog. We can mount it with any phototransistor and LEDs are common with the need for a 100 ohms resistor in series with pin 6 of the IC for current limitation. The null point adjustment is done in R3.