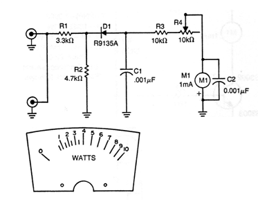
We found this circuit in an old American publication. The circuit is designed to measure the output power of transmitters for the 11-meter band (27 MHz) but can operate over a wide range of frequencies. The indicator instrument can be replaced by a corresponding multimeter scale using the conversion scale given next to the diagram. The diode can be 1N34 or any equivalent of germanium.




