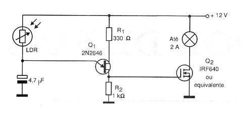
The circuit shown in the figure is sensitive to light. Its frequency is determined by the light intensity that strikes the sensor, in this case a common LDR. When using it, care must be taken that the light from the lamp it controls does not re-feed the sensor (LDR), which would cause unstable operation. The assembly of the LDR in an opaque tube with a lens increases its sensitivity and directivity, avoiding the indicated problems.




