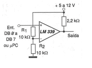
Voltage comparators, such as those in the LM139 / 239/339 series, consist of devices that can be used with advantages such as circuit interfacing elements with the parallel port of a PC or the output of a microprocessor. In the figure we show the simplest way to do this, that resistors fixed in the input polarization.




