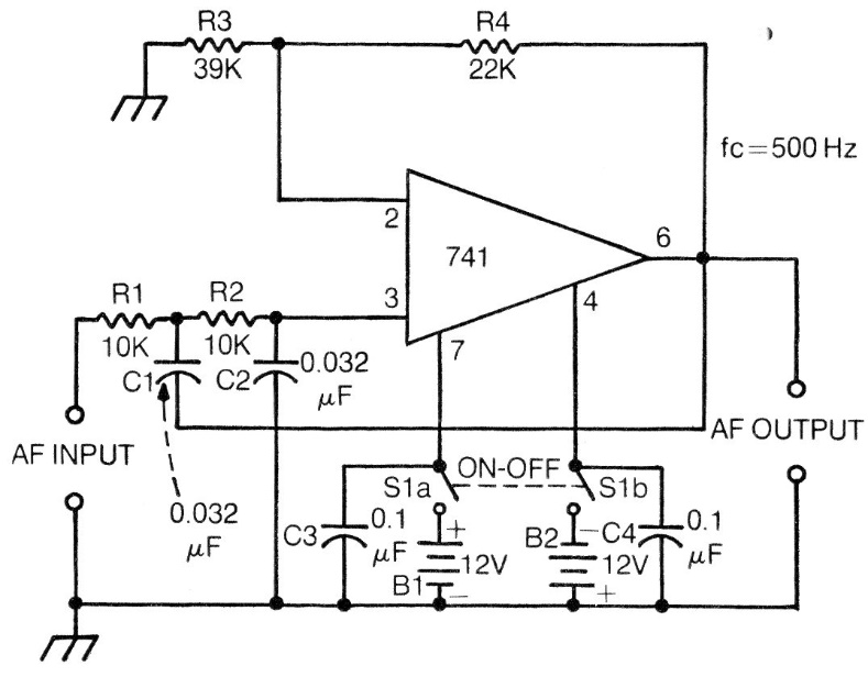
The current drained by this circuit, from a 1976 documentation, is 3 mA and the cut-off frequency is around 500 Hz. The circuit has a gain of 12 dB. The components of the input network can be changed to obtain other gains and other cutoff frequencies. See the math section of the author's website for how to do this. The circuit is powered by a 12 V symmetrical source, but it can also operate with lower voltages, starting at 6 V.




