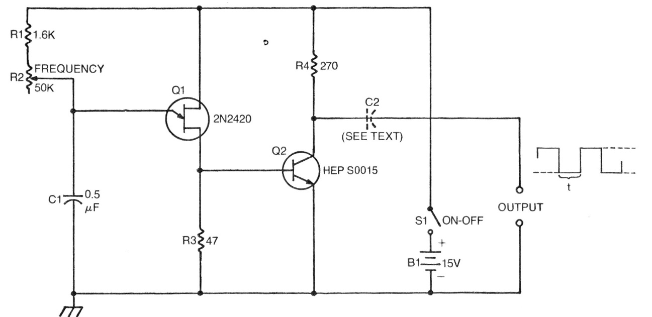
This circuit is from old documentation and can be assembled with 2N2646 for the unijunction and BC548 for the bipolar transistor. The circuit generates short duration pulses that depend on the C2 value. This capacitor can have values between 100 pF and 100 nF, depending on the application. The pulse frequency is adjusted in R2 which can be a 47k potentiometer. The supply can be done with voltages from 9 to 15 V.




