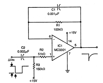
We found this circuit in a Motorola publication from the 70s. The circuit can be implemented with modern operational amplifiers. The values of the R1 / C1 network determine the integration constant and can be changed. Other supply voltages can be used depending on the operatinional characteristics.




