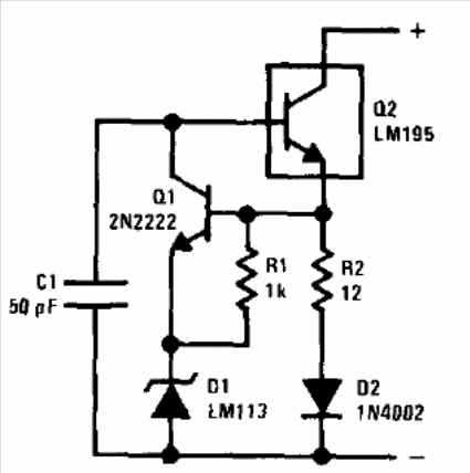
This circuit was obtained in a 1974 National Semiconductor components and circuits manual. The power transistor can be replaced with equivalents depending on the current, such as the DB135 or TIP31. The LM113 is a voltage regulator integrated circuit that can be replaced by a common zener according to the desired current intensity.




