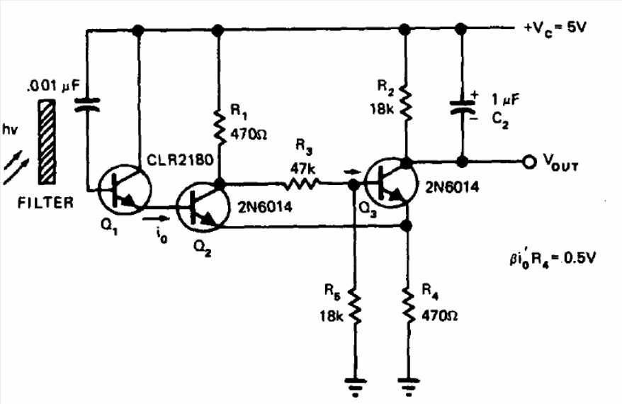
We got this circuit in an old publication from 1978. The circuit uses a phototransistor and an infrared filter. The NPN transistors can be the BC548 and the phototransistor of any type. The output is compatible with TTL logic.
We got this circuit in an old publication from 1978. The circuit uses a phototransistor and an infrared filter. The NPN transistors can be the BC548 and the phototransistor of any type. The output is compatible with TTL logic.