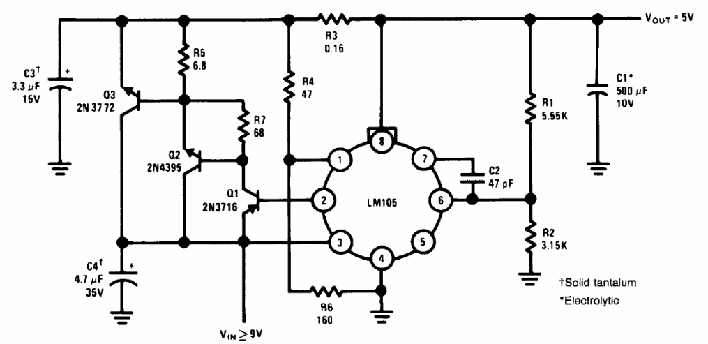
The circuit is from the 1994 Linear Application Handboiok by National Semiconductor. It uses an old LM105 regulator and transistors that can be replaced by equivalents. R1 and R2 determine the output voltage, which can be changed.
The circuit is from the 1994 Linear Application Handboiok by National Semiconductor. It uses an old LM105 regulator and transistors that can be replaced by equivalents. R1 and R2 determine the output voltage, which can be changed.