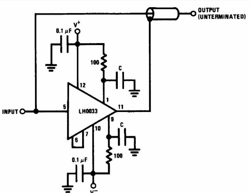
The circuit is from 1994 National Semiconductor documentation. The component is not easy to obtain, but there are equivalents that can be searched.
This simple pole search or neon probe for the 110 V or 220 V power grid has nothing unusual, being...
In the figure we show how to connect a power MOSFET to the output of a CMOS function to control a power...
This one-digit TTL modulus for 7-segment display can be parto f digital projects. Many of them can be...