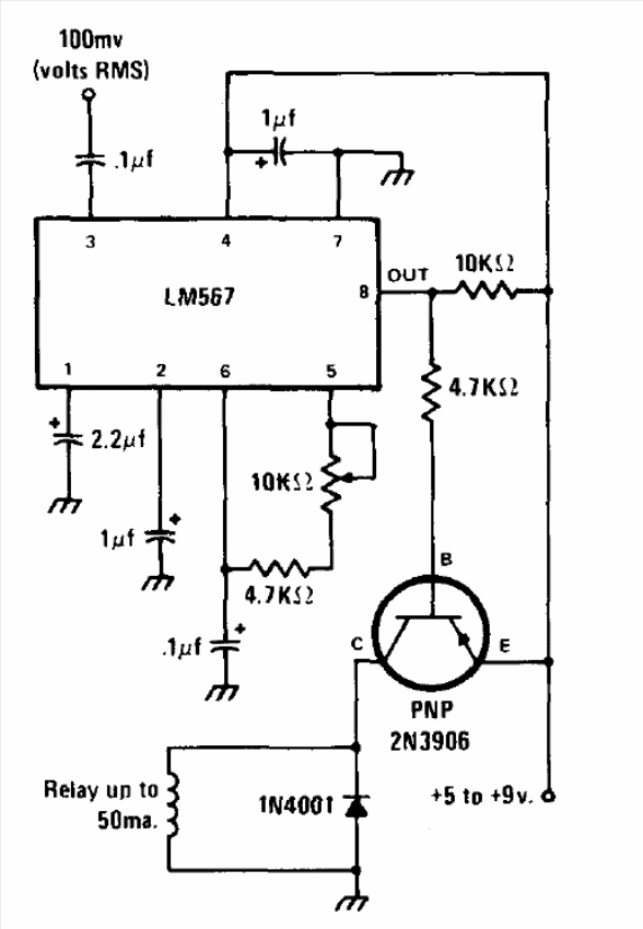
With the values of the components of this circuit, tone recognition can be done in the range of 700 to 1500 Hz. The capacitor on pin 6 can be changed to other times. The relay voltage must be according to the power supply and the transistor can be BC558. The circuit is from a 1978 publication.




