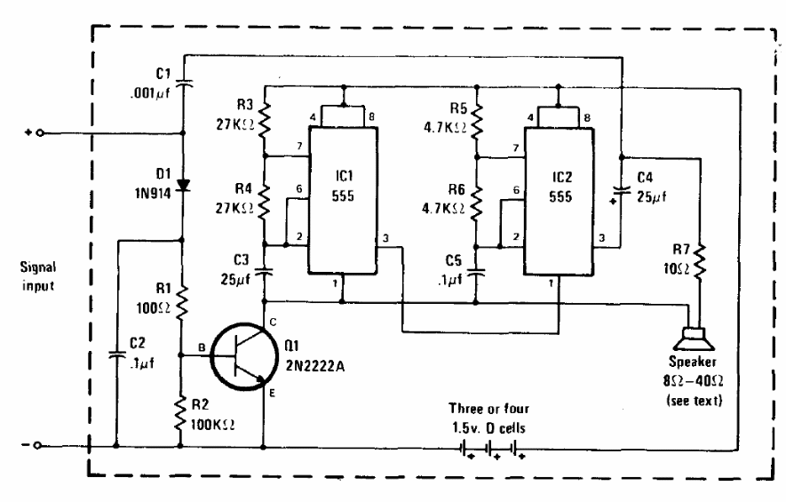
This circuit was originally recommended to give the call signal on intercoms. However, it can be used with other applications. The circuit is from 1978 documentation. The transistor may be the BC548.
This amplifier is from the 80s integrated circuit manual itself. Equivalent configurations can be adopted for...
Other operational amplifiers series, such as the MC34072, MC34074, MC35071, MC35072, MC35074 d...
This circuit was published in a 90s Radio Electronics. The circuit uses the well-known LM386 that...