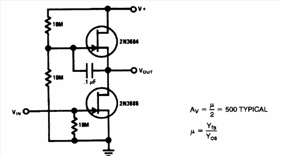
The circuit shown has a voltage gain of 500 times and can use equivalent FETs like the BF245. The circuit is suggested by National Semiconductor in its 1994 Linear Applications Handbook.
The MC1455 integrated circuit consists of a version of the 555 made by Motorola. The circuit given...
This circuit, from the ON Semiconductor Thyristor Manual, controls both the speed and direction of...
This circuit allows linear brightness control of an LED from an input voltage. The power supply must...